Side Brake Lights Are Out . Problems with the brake light switch. Get the issue fixed as soon. the most common reason why your tail lights are not working but brake lights are is due to a bad or wrong type of light bulb installed. if your brake lights get stuck, the most common problem is a broken brake light switch, which is a simple repair. some of the most common reasons that your brake lights are out or malfunctioning include: Some tips on how to fix a broken brake light include preparing the necessary tools, using a brake light wiring diagram, and replacing the brake light switch. no ground would indicate a bad ground connection or a problem with the wiring on the ground side of the circuit. discover why your brake lights might not be working. to diagnose broken brake lights, you can check the bulbs, sockets, fuse block, and brake light switch.
from www.myg37.com
if your brake lights get stuck, the most common problem is a broken brake light switch, which is a simple repair. no ground would indicate a bad ground connection or a problem with the wiring on the ground side of the circuit. Some tips on how to fix a broken brake light include preparing the necessary tools, using a brake light wiring diagram, and replacing the brake light switch. Problems with the brake light switch. discover why your brake lights might not be working. the most common reason why your tail lights are not working but brake lights are is due to a bad or wrong type of light bulb installed. Get the issue fixed as soon. to diagnose broken brake lights, you can check the bulbs, sockets, fuse block, and brake light switch. some of the most common reasons that your brake lights are out or malfunctioning include:
Brake light out! MyG37
Side Brake Lights Are Out some of the most common reasons that your brake lights are out or malfunctioning include: some of the most common reasons that your brake lights are out or malfunctioning include: to diagnose broken brake lights, you can check the bulbs, sockets, fuse block, and brake light switch. Problems with the brake light switch. Some tips on how to fix a broken brake light include preparing the necessary tools, using a brake light wiring diagram, and replacing the brake light switch. the most common reason why your tail lights are not working but brake lights are is due to a bad or wrong type of light bulb installed. if your brake lights get stuck, the most common problem is a broken brake light switch, which is a simple repair. Get the issue fixed as soon. discover why your brake lights might not be working. no ground would indicate a bad ground connection or a problem with the wiring on the ground side of the circuit.
From www.youtube.com
9904 Mustang. Third Brake Light Works! Side brake lights don’t! HOW TO Side Brake Lights Are Out Get the issue fixed as soon. to diagnose broken brake lights, you can check the bulbs, sockets, fuse block, and brake light switch. some of the most common reasons that your brake lights are out or malfunctioning include: the most common reason why your tail lights are not working but brake lights are is due to a. Side Brake Lights Are Out.
From www.ebay.com
Real Carbon Fiber Rear Tail Lamp Side Brake Light Cover For Kia Stinger Side Brake Lights Are Out the most common reason why your tail lights are not working but brake lights are is due to a bad or wrong type of light bulb installed. if your brake lights get stuck, the most common problem is a broken brake light switch, which is a simple repair. Problems with the brake light switch. to diagnose broken. Side Brake Lights Are Out.
From www.cargurus.ca
ANSWERED driver's side brake light went out.. and i replaced the bulb Side Brake Lights Are Out some of the most common reasons that your brake lights are out or malfunctioning include: if your brake lights get stuck, the most common problem is a broken brake light switch, which is a simple repair. discover why your brake lights might not be working. Get the issue fixed as soon. Some tips on how to fix. Side Brake Lights Are Out.
From www.2carpros.com
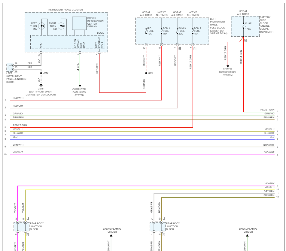
Wiring Diagram for Third Brake Light? so the Two Side Brake Side Brake Lights Are Out the most common reason why your tail lights are not working but brake lights are is due to a bad or wrong type of light bulb installed. some of the most common reasons that your brake lights are out or malfunctioning include: Some tips on how to fix a broken brake light include preparing the necessary tools, using. Side Brake Lights Are Out.
From www.youtube.com
DIY How to Remove & Change Brake/Tail Light Bulb on R56 Mini Cooper S Side Brake Lights Are Out to diagnose broken brake lights, you can check the bulbs, sockets, fuse block, and brake light switch. Some tips on how to fix a broken brake light include preparing the necessary tools, using a brake light wiring diagram, and replacing the brake light switch. Get the issue fixed as soon. if your brake lights get stuck, the most. Side Brake Lights Are Out.
From www.justanswer.com
No rear turn signals or side brake lights, 3rd brake light works. Have Side Brake Lights Are Out to diagnose broken brake lights, you can check the bulbs, sockets, fuse block, and brake light switch. discover why your brake lights might not be working. the most common reason why your tail lights are not working but brake lights are is due to a bad or wrong type of light bulb installed. Get the issue fixed. Side Brake Lights Are Out.
From www.alamy.com
Close up car brake lights Stock Photo Alamy Side Brake Lights Are Out discover why your brake lights might not be working. the most common reason why your tail lights are not working but brake lights are is due to a bad or wrong type of light bulb installed. Some tips on how to fix a broken brake light include preparing the necessary tools, using a brake light wiring diagram, and. Side Brake Lights Are Out.
From www.700r4transmissionhq.com
Brake Lights Not Working Diagnosis Drivetrain Resource Side Brake Lights Are Out to diagnose broken brake lights, you can check the bulbs, sockets, fuse block, and brake light switch. Problems with the brake light switch. if your brake lights get stuck, the most common problem is a broken brake light switch, which is a simple repair. the most common reason why your tail lights are not working but brake. Side Brake Lights Are Out.
From www.youtube.com
Passing Inspection 1 [How to Change Side Brake Light] Project Z4 Side Brake Lights Are Out some of the most common reasons that your brake lights are out or malfunctioning include: Problems with the brake light switch. Get the issue fixed as soon. no ground would indicate a bad ground connection or a problem with the wiring on the ground side of the circuit. if your brake lights get stuck, the most common. Side Brake Lights Are Out.
From www.hondaaccordforum.com
Brake Lamp fault light/ center and right side brake lights out Honda Side Brake Lights Are Out no ground would indicate a bad ground connection or a problem with the wiring on the ground side of the circuit. to diagnose broken brake lights, you can check the bulbs, sockets, fuse block, and brake light switch. some of the most common reasons that your brake lights are out or malfunctioning include: Some tips on how. Side Brake Lights Are Out.
From www.youtube.com
Diagnosing Tail Light Turn Signal Light Out RAM truck YouTube Side Brake Lights Are Out Some tips on how to fix a broken brake light include preparing the necessary tools, using a brake light wiring diagram, and replacing the brake light switch. discover why your brake lights might not be working. no ground would indicate a bad ground connection or a problem with the wiring on the ground side of the circuit. . Side Brake Lights Are Out.
From www.myg37.com
Brake light out! MyG37 Side Brake Lights Are Out Some tips on how to fix a broken brake light include preparing the necessary tools, using a brake light wiring diagram, and replacing the brake light switch. no ground would indicate a bad ground connection or a problem with the wiring on the ground side of the circuit. Problems with the brake light switch. Get the issue fixed as. Side Brake Lights Are Out.
From www.ghibliforum.com
Left side brake lights mostly out. Can the bulbs be replaced Side Brake Lights Are Out if your brake lights get stuck, the most common problem is a broken brake light switch, which is a simple repair. some of the most common reasons that your brake lights are out or malfunctioning include: Some tips on how to fix a broken brake light include preparing the necessary tools, using a brake light wiring diagram, and. Side Brake Lights Are Out.
From americanwarmoms.org
Why Are Brake Lights On When Car Is Off Side Brake Lights Are Out to diagnose broken brake lights, you can check the bulbs, sockets, fuse block, and brake light switch. discover why your brake lights might not be working. no ground would indicate a bad ground connection or a problem with the wiring on the ground side of the circuit. some of the most common reasons that your brake. Side Brake Lights Are Out.
From www.2carpros.com
The Driver’s Side Brake Light and Turn Signal Lights Are Not Side Brake Lights Are Out Get the issue fixed as soon. to diagnose broken brake lights, you can check the bulbs, sockets, fuse block, and brake light switch. Some tips on how to fix a broken brake light include preparing the necessary tools, using a brake light wiring diagram, and replacing the brake light switch. the most common reason why your tail lights. Side Brake Lights Are Out.
From homeminimalisite.com
How To Repair Brake Lights Car Side Brake Lights Are Out Get the issue fixed as soon. discover why your brake lights might not be working. Problems with the brake light switch. Some tips on how to fix a broken brake light include preparing the necessary tools, using a brake light wiring diagram, and replacing the brake light switch. to diagnose broken brake lights, you can check the bulbs,. Side Brake Lights Are Out.
From www.clublexus.com
2000 RX300 AWD Third Brake Light Out ClubLexus Lexus Forum Discussion Side Brake Lights Are Out if your brake lights get stuck, the most common problem is a broken brake light switch, which is a simple repair. Some tips on how to fix a broken brake light include preparing the necessary tools, using a brake light wiring diagram, and replacing the brake light switch. the most common reason why your tail lights are not. Side Brake Lights Are Out.
From www.corvetteforum.com
Brake lights out on one side and middle light only,blinker works fine Side Brake Lights Are Out if your brake lights get stuck, the most common problem is a broken brake light switch, which is a simple repair. Get the issue fixed as soon. discover why your brake lights might not be working. the most common reason why your tail lights are not working but brake lights are is due to a bad or. Side Brake Lights Are Out.